水工闸墩、构筑物改造设计(水利与水力发电)
1、水工闸墩加固设计
适用范围:
主要解决一些水力发电站闸墩由于施工、运行及后期维护不当、整体改造等原因导致闸墩出现病害或承载力不满足设计要求,而闸墩又不能拆除重建,需进行加固处理的情况。
2、设计依据
《建筑结构荷载规范》(GB5009-2012)
《建筑结构可靠度设计统一标准》(GBJ50068-2001)
《混凝土结构设计规范》(GB50010-2010)
《混凝土结构加固设计规范》(GB 50367-2013)
《混凝土结构后锚固技术规程》(JGJ 145-2013)
《水工建筑物止水带技术规范》(DL/T5215-2005)
《水工混凝土施工规范》(SL 677-2014)
《水工混凝土结构设计规范》(SL191-2008)
3、设计大样图
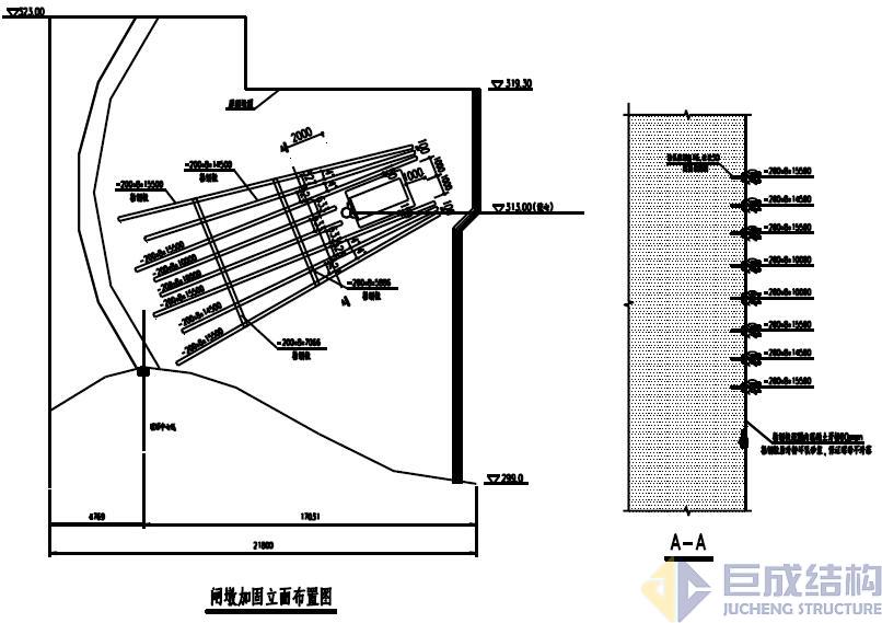
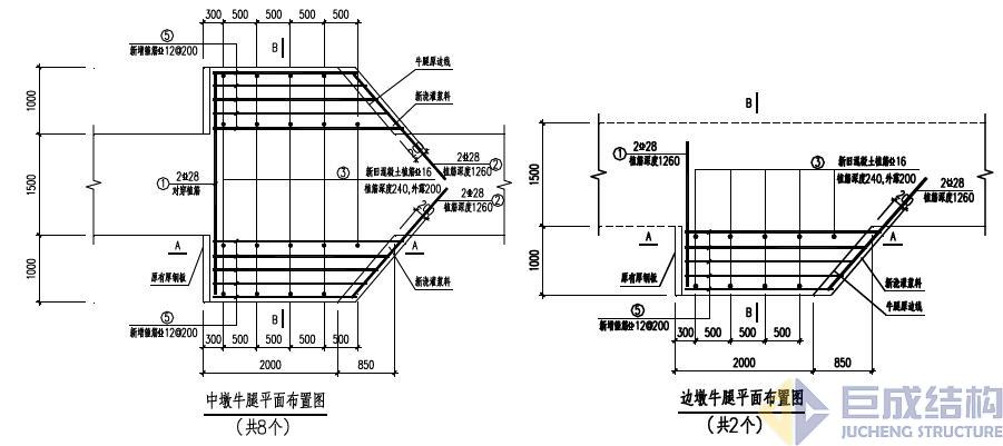
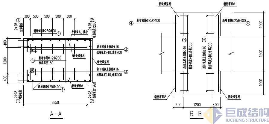
4、设计范例
水闸牛腿及闸墩加固图 下载
- 上一篇: 建(构)物顶升纠偏加固(顶升纠偏与平移)
- 下一篇: 渡槽加固设计(水利与水力发电)


